 |
Двухъядерные
64-разрядные промышленные компьютеры Arm® Cortex®-A53 |
 |
|
 |
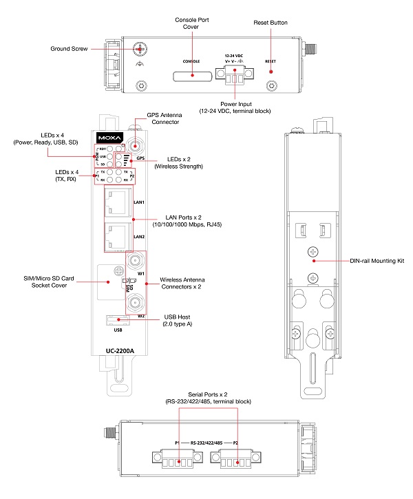
Вычислительная платформа UC-2200A разработана для встроенных
программ сбора данных. Компьютер оснащен двумя последовательными
портами RS-232/422/485 и двумя портами Ethernet 10/100/1000
Мбит/с, а также разъемом Mini PCIe для поддержания беспроводного
модуля. Эти универсальные возможности позволяют пользователям
эффективно адаптировать UC-1200A к различным сложным
коммуникационным решениям.
UC-2200A построен на базе процессора Cortex-A53,
оптимизированного для использования в системах мониторинга
энергопотребления, но широко применяемого в различных
промышленных решениях. Благодаря гибким параметрам интерфейса,
этот крохотный встроенный компьютер является надежным и
безопасным шлюзом для сбора и обработки данных на полевых
площадках, а также полезной коммуникационной платформой для
многих других масштабных развертываний.
|
|
Доступны
широкотемпературные модели и модели с поддержкой LTE. Все
устройства тщательно проверяются в испытательной камере, что
гарантирует, что вычислительные платформы с поддержкой LTE
подходят для широкотемпературных приложений. |
 |
Особенности |
 |
 |
Двухъядерный
процессор Armv8 Cortex-A53 1 ГГц |
 |
2 порта Ethernet
10/100/1000 Мбит/с с автоматическим определением |
 |
Много
программируемых светодиодов и программируемая кнопка для
простой установки и обслуживания |
 |
Компьютер с
поддержкой LTE с сертификацией Verizon/AT&T и промышленными
сертификатами CE/FCC/UL |
 |
Диапазон рабочих
температур от -40 до 70°C |
 |
Долгосрочная
поддержка Linux к 2031 году; содержит исправление ошибок и
патчи безопасности |
|
|
 |
Спецификации |
 |
| •
Аппаратная часть |
| Процессор |
Armv8 Cortex-A53 dual-core 1GHz |
| ОС |
Moxa Industrial Linux (Debian
11, kernel 5.10), 2031 EOL
See www.moxa.com/MIL |
| DRAM |
2 GB DDR4 |
|
Расширение памяти для ПО |
16 ГБ eMMC |
|
Слот для хранения |
Micro SD x 1 |
| •
Интерфейс
компьютера |
|
Порты Ethernet |
порты 10/100/1000
Мбит/с автоматического определения
(разъем RJ45) x 2 |
|
Последовательные порты |
Порты RS-232/422/485 x 2,
програмний вибір (термінальний блок) |
|
USB 2.0 |
Хост USB 2.0 x 1, разъемы типа A |
|
Формат SIM |
Nano x 1 |
|
Слоты расширения |
слот mPCIe x 1 |
|
Кнопки |
Кнопка сброса "Reset" |
|
Консольный порт |
RS-232 (TxD, RxD, GND),
4-контактний выход (115200, n, 8, 1) |
Ethernet
интерфейс |
|
Защита магнитной изоляции |
1,5 кВ (встроенный) |
Параметры
Serial интерфейса |
| Биты
данных |
5, 6, 7, 8 |
| Стоп
биты |
1, 1.5, 2 |
| Паритет |
Non,
Even, Odd, Space, Mark |
|
Управление потоком |
RTS/CTS, XON/XOFF, ADDC® (автоматическое
управление направлением данных) для RS-485, RTS Toggle (только
RS-232) |
|
Скорость передачи данных |
от 300 до 921,6 кбит/с |
Сигналы
Serial интерфейса |
| RS-232 |
TxD, RxD, RTS, CTS, DTR, DSR,
DCD, GND |
| RS-422 |
Tx+, Tx-, Rx+, Rx-, GND |
| RS-485
- 4 w |
Tx+,
Tx-, Rx+, Rx-, GND |
| RS-485
- 2 w |
Data+,
Data-, GND |
Индикация |
| Система |
Power х 1
SW готовность (программированный)
USB (программированный) x 1
Слот Micro SD (программированный) x 1
Последовательный порт: TX 2, RX 2 |
|
Мощность беспроводного
сигнала |
Cellular x 2; programmable
Disconnected: None
Very Poor Signal: 1 LED (blinking)
Poor Signal: 1 LED
Good Signal: 2 LEDs |
Сотовый
интерфейс |
|
Сотовые стандарты |
LTE Cat. 4 |
|
Диапазон |
Моделі ЄС:
Діапазон LTE 1 (2100 МГц) / Діапазон LTE 3 (1800 МГц) /
Діапазон 7 (2600 МГц) / Діапазон LTE 8 (900 МГц) / Діапазон
LTE 20 (800 МГц) / Діапазон LTE 28A (700 МГц) UMTS/HSPA B8
(900 МГц) / B3 (1800 МГц) / B1 (2100 МГц) GSM DCS (1800 МГц)
/GSM 900 (900 МГц) |
GPS
интерфейс |
|
Типы приемников |
GPS, GLONASS, Galileo |
|
Точность |
Position: 2.0 m @CEP50 |
|
Достояние |
Hot starts: 1.1 sec
Cold starts: 29.94 sec |
|
Чувствительность |
Cold starts: -145 dBm
Tracking: -160 dBm |
|
Time Pulse |
250 Hz to 10 MHz |
Питание |
| Входное напряжение |
от
12 до 48 VDC |
|
Водной ток |
Модели без встроенного LTE:
600mA @ 12 VDC, 300mA @ 24 VDC
Модели со встроенным LTE: 900mA @ 12 VDC, 450mA @ 24 VDC |
|
Потребление |
Модели без
встроенного LTE:
4,5 Вт (без внешнего устройства USB)
7,2 Вт (с подключенным внешним USB-устройством)
Модели со встроенным LTE:
7,8 Вт (без внешнего устройства USB)
10,5 Вт (с внешним USB-устройством) |
Физические
характеристики |
| Корпус |
Металл, SECC |
| Вес |
546 г. |
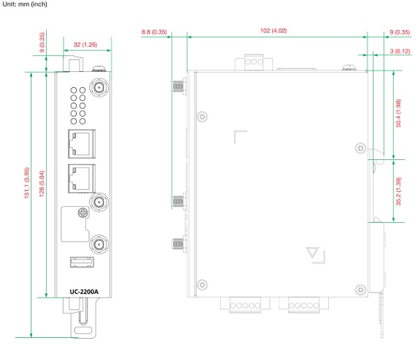
| Размеры
(с ушами) |
102 x 32 x 128 мм |
| Крепление |
Настенный монтаж на DIN-рейку (с
дополнительным комплектом) |
|

Размеры:

|
Окружающая
среда |
| Рабочая
температура |
модели без
встроенного LTE: от -40 до 75°C
модели со встроенным LTE: от -40 до 70°C |
| Влажность |
от
5 до 95% RH |
| Температура
хранения |
от -40 до 80°C
|
|
Вибрация |
2 Grms @ IEC 60068-2-64,
случайная волна, 5-500 Гц, 1 час на ось
(без подключенного USB) |
|
Shock |
IEC 60068-2-27 |
Сертификаты |
| EMI |
CISPR 32, FCC Part 15B Class A |
| EMC |
EN 55032/35
EN 61000-6-2/-6-4 |
| EMS |
IEC 61000-4-2 ESD: Contact:
4 kV; Air: 8 kV
IEC 61000-4-3 RS: 80 MHz to 1 GHz: 10 V/m
IEC 61000-4-3 RS: 1.4 GHz to 6 GHz: 3 V/m
IEC 61000-4-4 EFT: Power: 1 kV; Signal: 1 kV
IEC 61000-4-5 L-PE: 1 kV ; L –L: 0.5 kV; Signal: 1 kV
IEC 61000-4-6 CS: 10 V
IEC 61000-4-8 PFMF |
| Безопасность |
EN 62368-1, UL 62368-1 |
|
Международное одобрение |
RCM, KC, BSMI |
| Директиви |
RoHS, CRoHS, WEEE |
MTBF |
|
Стандарты |
Telcordia (Bellcore) Standard TR/SR |
|
Время |
UC-2222A-T: 924 676 часов
UC-2222A-T-EU: 866 622 часов |
 |
Информация
для заказа |
 |
|
|
| ¤
Модели |
|
Модель |
CPU |
RAM |
Storage |
Serial
порты |
Ethernet
порты |
USB
порты |
TPM |
LTE |
Рабочая
температура |
|
UC-2222A-T |
AM6412 Arm®
Cortex®-A53,
двухъядерный, 1 ГГц |
2 ГБ |
16 GB eMMC |
2 |
2 |
1 |
Встр. |
mPCIe slot x 1,
зарезервировано |
от -40 до 75°C |
| UC-2222A-T-EU |
AM6412 Arm®
Cortex®-A53,
двухъядерный, 1 ГГц |
2 ГБ |
16 GB eMMC |
2 |
2 |
1 |
Встр. |
EU регион
LTE модуль
предварит. установленый |
от-40 до 70°C |
| Аксесуары
(продаются отдельно) |
|
Адаптер питания |
|
PWR-12150-EU-SA-T |
Адаптер
питания |
|
Кабели |
|
CBL-F9DPF1x4-BK-100 |
Консольний кабель з 4-контактным
разъемом 1м |
|
CBL-PJTB-10 |
Незапирающий цилиндровый штекер
к оголенному кабелю |
|
Антены |
|
ANT-WDB-ARM-0405 |
Всенаправленная антенна 2,4/5 ГГц
1/2 λ 4–5 дБі с разъемом RP-SMA (гнездо) |
|
ANT-WDB-ARM-0202 |
Всенаправленная антенна 2,4/5 ГГц,
2/2 дБі, разъем типа RP-SMA (male) |
|
ANT-LTE-OSM-03-3m BK |
700-2700 МГц, многодиапазонная
антенна, специально разработана для приложений 2G, 3G і 4G, 3 м
кабель |
|
ANT-LTE-OSM-06-3m BK |
Многодиапазонная антенна с
опцией винтовой крепи для частот 700-2700/2400-2500/5150-5850
МГц |
|
ANT-LTE-ASM-04 BK |
704-960/1710-2620 МГц,
всенаправленая палковая антенна LTE, 4,5 дБі |
|
ANT-LTE-ASM-05 BK |
704-960/1710-2620 МГц, антенна
LTE, 5 дБі |
|
A-ADP-SM-RF Golden |
Адаптер SMA для серии UC-2104 і
UC-5100 |
|
ANT-LTEUS-ASM-01 |
GSM/GPRS/EDGE/UMTS/HSPA/LTE,
всенаправленная резиновая антенна, 1 дБі |
|
|